国家开放大学《机械设计基础》形考任务

2024-12-19 0 308
国家开放大学《机械设计基础》形考任务形考任务一 

1.机器是构件之间具有确定的相对运动,并能完成有用的机械功或实现能量转换的构件的组合。
【答案】对
2.机构都是可动的。
【答案】对
3.机构中的主动件和从动件,都是构件。
【答案】对
4.机器是由机构组合而成的,机构的组合一定就是机器。
【答案】错
5.作用于刚体上某点的力,作用点沿其作用线移动后,其对刚体的作用效果改变了。
【答案】错
6.在两个力作用下的构件称为二力构件。
【答案】错
7.合力一定大于分力。
【答案】错
8.力偶无合力。
【答案】对
9.刚体上作用力偶的力偶矩大小与矩心的具体位置无关。
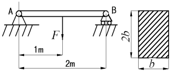
【答案】对
10.组成移动副的两构件之间的接触形式,只有平面接触。
【答案】对
11.在平面机构中,齿轮副是低副。
【答案】错
12.作用在刚体上的二力平衡条件是_______。单选题
【答案】大小相等、方向相反、作用线相同、作用在同一刚体上
13.取分离体画受力图时,以下说法错误的是_______。单选题
【答案】柔体约束力的指向可以假定,正压力的指向不能假定。
14.下图所示的受力系统中,不计杆AB、杆BC和绳DE的自重,则杆AB的正确受力图为_______。单选题
 国家开放大学《机械设计基础》形考任务

 

【答案】国家开放大学《机械设计基础》形考任务
15.力偶对物体的作用效果,取决于下列因素_______。单选题
【答案】力偶矩的大小和力偶在作用平面内的转向
16.机构具有确定相对运动的条件是_______。单选题
【答案】机构的自由度数目等于主动件数目
17.如下图所示,图中A点处形成的转动副数为_______个。单选题
国家开放大学《机械设计基础》形考任务
【答案】3
18.
国家开放大学《机械设计基础》形考任务
(1)当作用在物体上的水平力 F=1N 时,_______。单选题
【答案】摩擦力为1N,物体处于平衡状态
(2)当作用在物体上的水平力 F=2N 时,_______。单选题
【答案】摩擦力为2N,物体处于平衡状态
(3)当作用在物体上的水平力 F=3N 时,_______。单选题
【答案】摩擦力为3N,物体处于平衡状态
19.
国家开放大学《机械设计基础》形考任务
(1)吊杆受力系统的正确受力图为_______。单选题
【答案】国家开放大学《机械设计基础》形考任务
(2)吊杆AB的力_______。单选题
【答案】FA=40kN
(3)吊杆BC的力_______。单选题
【答案】FC=40kN
20.
国家开放大学《机械设计基础》形考任务
(1)梁A端的约束力_______。单选题
【答案】FAx=1kN , FAy=0.866kN
(2)梁B端的约束力_______。单选题
【答案】FBx=0N , FBy=0.866kN
21.
国家开放大学《机械设计基础》形考任务
(1)图示机构的活动构件数为_______。单选题
【答案】7
(2)图示机构的低副数为_______。单选题
【答案】10
(3)图示机构的高副数为_______。单选题
【答案】0
(4)图示机构的自由度数为_______。单选题
【答案】1
22.
国家开放大学《机械设计基础》形考任务
(1)图示机构的活动构件数为_______。单选题
【答案】7
(2)图示机构的低副数为_______。单选题
【答案】10
(3)图示机构的高副数为_______。单选题
【答案】0
(4)图示机构的自由度数为_______。单选题
【答案】1
形考任务二 

1.铰链四杆机构都有摇杆这个构件。
【答案】错
2.在平面四杆机构中,连杆与曲柄是同时存在的,即有连杆就必有曲柄。
【答案】错
3.在曲柄摇杆机构中,摇杆的回程速度一定比工作行程的速度要慢。
【答案】错
4.曲柄的极位夹角Ɵ越大,机构的急回特性也越显著。
【答案】对
5.铰链四杆机构中,传动角越大,机构传力性能越高。
【答案】对
6.在实际生产中,机构的“死点”位置对工作都是不利的,处处都要考虑克服。
【答案】错
7.曲柄滑块机构是由曲柄摇杆机构演化而来的。
【答案】对
8.曲柄滑块机构曲柄为主动件时,有死点位置。
【答案】错
9.对于曲柄滑块机构来说,取不同的构件做机架,可以得到定块机构、摇块机构和导杆机构等。
【答案】对
10.构件的强度要求,就是构件有足够的抵抗变形的能力。
【答案】错
11.构件的刚度要求,就是构件有足够的抵抗破坏的能力。
【答案】错
12.下图所示的平面四杆机构中,各杆长度分别为a=25mm、b=90mm、c=75mm、d=100mm。若杆AB是机构的主动件,AD为机架,机构是_______。
国家开放大学《机械设计基础》形考任务
【答案】曲柄摇杆机构
13.根据下图所示机构的尺寸和机架判断铰链四杆机构是_______。
国家开放大学《机械设计基础》形考任务
【答案】双摇杆机构
14.在铰链四杆机构中,若最短杆与最长杆长度之和小于其余两杆长度之和,则为了获得双曲柄机构,其机架应取_______。单选题
【答案】最短杆
15.平面四杆机构无急回特性时,行程速比系数_______。单选题
【答案】等于1
16.为保证四杆机构良好的传力性能,_______不应小于最小许用值。单选题
【答案】传动角
17.曲柄滑块机构中,曲柄为主动件时,_______为死点位置。单选题
【答案】不存在
18.凸轮机构从动杆的运动规律,是由凸轮的_______所决定的。单选题
【答案】轮廓曲线
19.凸轮机构中从动件常用的运动规律,有刚性冲击的是_______。单选题
【答案】等速运动规律
20.对于高速运动的凸轮机构,需要减小惯性力、改善动力性能,应优先选用_______。单选题
【答案】正弦加速度运动规律
21.下列机构中,不属于间歇机构的是_______。单选题
【答案】齿轮机构 
22.
国家开放大学《机械设计基础》形考任务
(1)图示机构的活动构件数为_______。单选题
【答案】6
(2)图示机构的低副数为_______。单选题
【答案】8
(3)图示机构的高副数为_______。单选题
【答案】1
(4)图示机构的自由度数为_______。单选题
【答案】1
23.
国家开放大学《机械设计基础》形考任务
(1)图示机构的活动构件数为_______。单选题
【答案】7
(2)图示机构的低副数为_______。单选题
【答案】9
(3)图示机构的高副数为_______。单选题
【答案】1
(4)图示机构的自由度数为_______。单选题
【答案】2
24.
国家开放大学《机械设计基础》形考任务
(1)CD段的轴力FCD=_______。单选题
【答案】60kN 
(2)BC段的轴力FBC=_______。单选题
【答案】—20kN
(3)AB段的轴力FAB=_______。单选题
【答案】80kN
25.
国家开放大学《机械设计基础》形考任务
(1)梁A端的约束力FAy=_______。单选题
【答案】6.25kN
(2)梁B端的约束力FBy=_______。单选题
【答案】3.75N
(3)梁的剪力图为_______。单选题
【答案】国家开放大学《机械设计基础》形考任务
(4)梁的弯矩图为_______。单选题

 

【答案】国家开放大学《机械设计基础》形考任务
形考任务三 

1.衡量铸铁材料强度的指标是强度极限。
【答案】对
2.塑性材料的失效主要为断裂失效。
【答案】错
3.由渐开线的形成过程可知,基圆内无渐开线。
【答案】对
4.渐开线标准直齿圆柱齿轮传动,由于安装不准确,产生了中心距误差,但其传动比的大小仍保持不变。
【答案】对
5.分度圆是计量齿轮各部分尺寸的基准。
【答案】对
6.齿轮的标准压力角和标准模数都在分度圆上。

【答案】对

7.模数m、直径d、齿顶高系数ha*和顶隙系数c*都是标准值的齿轮是标准齿轮。
【答案】错
8.若齿轮连续传动,其重合度要小于1。
【答案】错
9.斜齿轮不产生根切的最少齿数小于直齿轮。
【答案】错
10.圆锥齿轮传动是空间齿轮传动。
【答案】对
11.用展成法加工齿轮时,同一模数和同一压力角,但不同齿数的两个齿轮,可以使用一把齿轮刀具进行加工。
【答案】对
12.如图所示钢制拉杆承受载荷F=32kN,若材料的许用应力,国家开放大学《机械设计基础》形考任务杆件横截面积为圆形,横截面的最小半径为________。
国家开放大学《机械设计基础》形考任务
【答案】9.2mm
13.渐开线齿廓基圆上的压力角_________。单选题
【答案】等于0 
14.标准齿轮的_________上的压力角为20°。单选题
【答案】分度圆
15.渐开线齿廓形状取决于_______直径大小。单选题
【答案】基圆
16.用齿条型刀具展成法加工渐开线直齿圆柱齿轮,对于正常齿制的标准直齿圆柱齿轮而言,避免根切的最小齿数为________。单选题
【答案】17
17.为了齿轮能进入啮合,它们必须相同的是_______。单选题
【答案】基圆齿距
18.
国家开放大学《机械设计基础》形考任务
(1)AC段的轴力FAC= _______。单选题
【答案】40kN
(2)CB段的轴力FCB= _______。单选题
【答案】60kN
(3)AC段正应力σAC=         。
【答案】127.32MPa
(4)CB段正应力σCB=         。
【答案】62.36MPa
19.
国家开放大学《机械设计基础》形考任务
(1)变截面杆AC的轴力图为_______。单选题

 

【答案】国家开放大学《机械设计基础》形考任务
(2)AB段正应力σAB=         。
【答案】—100MPa
(3)CB段正应力σCB=         。
【答案】90MPa
(4)国家开放大学《机械设计基础》形考任务
【答案】—0.05mm(缩短)
20.如图所示一矩形截面梁,已知承受载荷F=10KN,材料为塑性材料,其许用应力[s]=160MPa。求:
国家开放大学《机械设计基础》形考任务
(1)梁A端的约束力FAy=_______。单选题
【答案】5kN
(2)梁B端的约束力FBy=_______。单选题
【答案】5kN
(3)最大弯矩为_______。单选题
【答案】5kN·m,位于梁的中点
(4)国家开放大学《机械设计基础》形考任务
【答案】≥36mm
21.
国家开放大学《机械设计基础》形考任务
(1)齿轮的模数m=_______。单选题
【答案】4mm
(2)分度圆直径d=_______。单选题
【答案】100mm
(3)齿根圆直径df=_______。单选题
【答案】90mm
(4)齿厚s=_______。单选题
【答案】6.28mm
22.现有一对啮合的标准直齿圆柱齿轮,已知z1=30,z2=90,模数m=5mm,齿顶高系数ha*=1,顶隙系数c*=0.25。求:
(1)小齿轮的分度圆直径d1 =_______。p单选题
【答案】150mm
(2)小齿轮的齿根圆直径df1 =_______。p单选题
【答案】137.5mm
(3)大齿轮的分度圆直径d2 =_______。p单选题
【答案】450mm
(4)大齿轮的齿顶圆直径da2 =_______。p单选题
【答案】460mm
(5)这对齿轮的传动比i12=_______。p单选题
【答案】3
(6)这对齿轮的中心距a=_______。p单选题
【答案】300mm
形考任务四 

1.蜗杆传动一般用于传动大功率、大速比的场合。
【答案】错
2.连续工作的闭式蜗杆传动需进行热平衡计算,以控制工作温度。
【答案】对
3.周转轮系的自由度一定为1。
【答案】错
4.差动轮系的自由度为2。
【答案】对
5.带传动中打滑现象是不可避免的。
【答案】错
6.带传动在工作时,产生弹性滑动是由于传动过载。
【答案】错
7.动联接中,被联接的零、部件之间可以有相对位置的变化。
【答案】对
8.带传动的轴受力较小,因此带传动的寿命长。
【答案】错
9.运动副是联接,联接也是运动副。
【答案】错
10.压入法一般只适用于配合尺寸和过盈量都较小的联接。
【答案】对
11.三角形螺纹具有较好的自锁性能。螺纹之间的摩擦力及支承面之间的摩擦力都能阻止螺母的松脱。所以就是在振动及交变载荷作用下,也不需要防松。
【答案】错
12.一个平键联接能传递的最大扭矩为T,则安装一对平键能传递的最大扭矩为T。
【答案】对
13.仅传递扭矩的轴是转轴。
【答案】错
14.通过连轴器联接的两轴可在工作中随时分离。
【答案】错
15.杆传动装置中,蜗杆的头数为z1,蜗杆直径系数为q,蜗轮齿数为z2,则蜗轮蜗杆传动的标准中心距a等于________。单选题
【答案】m(q+z2)/2
16.阿基米德圆柱蜗杆的_______模数,应符合标准数值。单选题
【答案】轴面
17.在普通圆柱蜗杆传动中,若其他条件不变而增加蜗杆头数,将使_______。单选题
【答案】传动效率提高
18.传动比大而且准确的传动是_______。单选题
【答案】蜗杆传动
19.在轮系中加入惰轮可改变轮系的_______。单选题
【答案】转向
20.下列型号的V带中,_______具有最大横截面积。单选题
【答案】E型
21.带传动在工作时,假定小带轮为主动轮,则带内应力的最大值发生在带_______。单选题
【答案】紧边进入小带轮处
22.不能用于传动的螺纹为________螺纹。单选题
【答案】三角形
23.普通螺纹的公称直径是指螺纹的_______。单选题
【答案】大径
24.采用螺纹联接时,若被联接件不厚,容易加工出通孔,且需要经常装拆的情况下宜采用________。单选题
【答案】螺栓联接
25.普通螺纹联接中的松螺纹和紧螺纹联接的主要区别是:松螺纹联接的螺纹部分不承受_______的作用。单选题

【答案】扭转

26.键联接的主要用途是使轴和轮毂之间________。单选题

【答案】沿周向固定并传递扭矩

27.半圆键联接传递动力是靠_______。单选题

【答案】两侧面的挤压力

28.在键联接设计中,普通平键的长度尺寸主要依据_______选定。单选题

【答案】轮毂的宽度尺寸

29.齿轮减速器中的轴属于______。单选题
【答案】转轴
30.连接汽车前部变速箱和汽车后轮的轴属于______。单选题
【答案】传动轴
31.
国家开放大学《机械设计基础》形考任务
(1)轮系的传动比i14=_______。单选题
【答案】22.22
(2)蜗轮4的转向为_______。单选题
【答案】逆时针
32.
国家开放大学《机械设计基础》形考任务
(1)齿轮5的转速n5=_______ r/min。单选题
【答案】2.5
(2)齿条6的线速度v=_______。单选题
【答案】10.5mm/s
(3)齿条6的运动方向为_______。单选题
【答案】向右运动
收藏 (0) 打赏

感谢您的支持,我会继续努力的!

打开微信/支付宝扫一扫,即可进行扫码打赏哦,分享从这里开始,精彩与您同在
点赞 (0)

爱国开 形考资料 国家开放大学《机械设计基础》形考任务 https://aiguokai.com/xkzl/28042.html

常见问题

相关文章

官方客服团队

为您解决烦忧 - 24小时在线 专业服务